【极悦娱乐-专业位移传感器厂家】专业定制非标拉绳位移传感器及完整的感测解决方案!
拉线位移编码器 设为首页 拉绳传感器 加入收藏 电子尺品牌 联系我们
深圳极悦注册传感器 勇锐进取 自主创新 志在非凡 放眼未来
位移传感设备及解决方案专业提供商
直线位移传感器厂家
56852556 0531-61310988
产品直通车:

极悦注册

联系我们

极悦娱乐传感器
联系电话:0531-61310988 
公司传真:0531-61311822
赵先生:56852556(微信同号)
王小姐:18660101088
投诉电话: 18660101099
QQ 客 服:1476602286(点击咨询)
公司网址:http://www.qmtbj.com
Email:qmtbj.com
公司地址:深圳市槐荫区美里路德迈产业园11号

 当前位置:首页 - 拉线/绳位移传感器
10米0~10v电压信号拉绳位移传感器
简要描述:
10米0~10v电压信号拉绳位移传感器可以输出模拟量信号电压0~5v、0~10v、1~5v,根据用户上位机采集模式选择,10米拉绳式位移传感器也可以输出4~20mA电流信号或0~20mA电流信号及电阻0~5kΩ、0~10kΩ及RS485/232等通讯信号。
服务热线:56852556 0531-61310988
在线QQ :
0

郑重承诺:
产品实行“质量三包”质量保证期一年,终身服务。在质量保证期内,对由于设计、制造、工艺或材料的缺陷所发生的故障负责,并免费维修和更换缺陷的零件或产品。

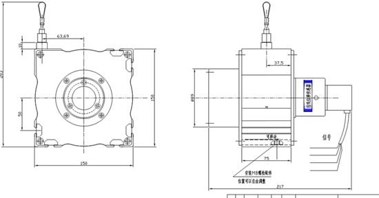
       10米0~10v电压信号拉绳位移传感器可以输出模拟量信号电压0~5v、0~10v、1~5v,根据用户上位机采集模式选择,10米拉绳式位移传感器也可以输出4~20mA电流信号或0~20mA电流信号及电阻0~5kΩ、0~10kΩ及RS485/232等通讯信号,极悦娱乐传感器可为用户定制12米、15米、20米、25米超长量程拉绳位移传感器,外壳使用铝合金材料加工而成,表面经氧化处理,坚固美观,适合各种环境使用,收线机构采用轮滑式及进口涂塑钢丝绳,具有噪音低、强度高、无延伸、抗腐蚀性强、收线稳定可靠等特点。10米拉线位移传感器适用于直线运动机械的位置测量,也可以用于曲线移动的距离定位,可以直接对接PLC、二次仪表、数据采集仪等系统。

10米0~10v电压信号拉绳位移传感器

        10米0~10v电压信号拉绳位移传感器属于长行程拉线/绳式位移传感器,用于测量、控制、记录0~10000mm的线性距离,10米0~10v电压信号拉绳位移传感器依据直线位移传感器原理,可以将直线距离实际长度转换成电信号进行输出的一种装置。可以根据用户要求输出模拟量型或数字量信号,采用国际化标准接口,安装简单可靠,使用寿命长、较高的分辨率,适合长距离控制及测量场合。

10米0~10v电压信号拉绳位移传感器

1、测量行程:0~10米,0~12米,0~15米;
2、线性精度:±0.05%FS,±0.1%FS,±0.2%FS,±0.5%FS;
3、分辨率:0.05mm、0.1mm;
4、信号可选:4~20mA、0~20mA、1~5v、0~5v、0~10v、0~10k、SSI接口、RS485、CanOpen、profibus;
5、工作电压:12~24VDC;
6、使用温度:-30℃-95℃;
7、拉绳速度:1000mm/s;
8、线绳直径:Φ8mm(根据要求定制);
9、拉伸力:5kg;
10、安装方式:传感器本体自带安装螺纹;
11、防护等级:IP54级(定制IP68)
所有极悦娱乐产品及配套产品,MEAS传感器将享受免费保修政策,条件如下:
1、深圳极悦娱乐竭诚为用户提供质量稳定的产品和满意的售后服务。
2、依据国标或行标组织生产,产品质量确保符合要求,在正确使用的情况下,使用寿命不低于其它同类产品。
3、极悦娱乐公司销售人员协助用户科学、合理地选择产品类型、规格型号。
4、我方对售出的产品,提供一年的质保维修(人为情况损坏的除外)。
5、产品在用户使用过程中,出现质量问题,在接到用户通知后,随时为用户解答。 
       深圳极悦娱乐传感器公司本着互惠互利的原则,相互合作,相互支持,共同发展。欢迎各界同仁致电详谈:0531-61310988.

相关产品
25米数字量输出拉线绳位移传感器
25米数字量输出拉线绳位移传感器
咨询热线:56852556
查看详情
 
QQ在线咨询
10米0~10v电压信号拉绳位移传感器
10米0~10v电压信号拉绳位移传感器
咨询热线:56852556
查看详情
 
QQ在线咨询
小型模拟信号拉绳式位移传感器
小型模拟信号拉绳式位移传感器
咨询热线:56852556
查看详情
 
QQ在线咨询





友情链接:

极悦注册
极悦注册
联系我们

网站备案许可证号: